在2002年就进入通用航空领域,2016年成功收购加拿大AVMAX公司,业务细分为航空制造,航空运营和航空运营商服务三大版块 金桔影院,初步形成全产业链布局的发展格局,已广泛应用于航拍航测,农林植保,电力巡线,公安警用等领域, 。
了解更多 +
山河智能依托多年来在工程装备机电液一体化技术,机器人技术,复杂环境适应性改进等方面的积累 金桔影院在线观看,瞄准各种特殊用途,恶劣环境开发量一系列特种装备,努力探寻差异化产品的自主开发道路,近年来完成了一系列具有鲜明特色的特种装备产品的开发, 。
了解更多 +
请搜索关注“山河智能”公众号,实时接收最新官方二手机车源信息 金桔影视资源,使用"山河智能官方二手机"小程序,参与线上竞价,平价抢好机。
了解更多 +山河智能装备集团是中南大学何清华教授领衔于1999年创办,现已发展为以上市公司山河智能装备股份有限公司(以下简称“山河智能”证券代码:002097)为核心,以长沙为总部,以装备制造为主业,在国内外具有一定影响力的国际化企业集团 金桔高清播放,跻身于全球工程机械企业50强,世界挖掘机企业20强,世界支线飞机租赁前3强, 。
山河智能装备股份有限公司装载机遥控舱底盘招标由山河智能装备股份有限公司授权的招标小组实施,山河智能装备股份有限公司招标小组负责组织招标事务,并同中标供应商签定正式的购买合同, 金桔影院免费观看。
本次招标,旨在通过公开邀请符合资质及技术要求的供应商进行综合评比 在线电影院,选择最符合本公司需求的供应商进行合作,本次招标组织实施过程中的所有事项,包括但不限于程序的设定,招标评标人员的选定,招标需求和评标标准的确定等,均由山河智能装备股份有限公司根据本公司及本次招标的实际需要确定并负责解释,山河智能装备股份有限公司对投标方提供之方案和价格有权全部,部分或放弃采纳,投标方提供之标书必须符合招标要求,如有不符事项必须注明, 。
欢迎广大合格投标人前来竞标。
本项目招标文件将于 2023年 10月15日至2023年10月22日 上午9:00时至11:30时,下午14:00时至17:00时(北京时间,下同),在湖南长沙星沙凉塘东路1335号山河工业城新办公楼四楼商务办公室发布,请投标人派人持本单位介绍信,营业执照(复印件),经办人身份证前来报名(网络和微信报名可凭以上证件的扫描件报名,), 金桔影院。
整套文件的售价(含电子版)出售价格为 零 元( 不收报名费), 金桔影院在线观看。
招标公告发布地址:http://kenteke 金桔影视资源,com。 。
招标文件在报名资格审核通过以后,以邮件的形式发送给投标人 金桔高清播放.
1、招标范围:
3,1 采购产品:装载机遥控舱底盘。 金桔影院免费观看。
3 在线电影院. 2 本次招标包含产品、售前、售中、售后服务; .
3. 3 本次招标价格包含增值税、产品包装、运费、保险等一切费用; 金桔影院.
3 金桔影院在线观看,4 投标人的投标报价应基于以上范围,不可缺少; .
2、招标产品标段和清单:
标段 | 品号 | 品名 | 机型 | 单台用量 | 年需求用量 |
1 | 807P90040000.S1 | 装载机遥控舱底盘-2023 | SWL1751RC遥控装载机 | 1 | 100 |
备注:年采购量为计划采购量,具体交货数量以实际采购订单为准。
栏号 | 项目 主 要内容 |
1. | 项目名称:山河智能装载机遥控舱底盘采购招标 |
2. | 投标货币:人民币 |
3. | 投标有效期:90天 |
4. | 投标保证金额:无 |
5. | 本标项目不组织前期集中联络和项目说明会 招标报名时间:2023年10月15日—— 2023年10月22日。 |
6. | 投标文件递交:山河智能装备股份有限公司 |
地址:湖南长沙星沙凉塘东路1335号山河工业城 | |
7. | 投标文件递交截止时间:2023年10月27日(周五)上午9 时 |
8. | 开标时间:2023年10月27日(周 五)上午9时,公开开标 开标地点:湖南长沙星沙凉塘东路1335号山河工业城 |
9. | 特别说明:投标文件及开标一览表开标前统一递交,所有文件需按招标文件要求密封,投标概要须单独密封! |
招标人地址、项目联络人及联系方式
招标人商务联系人: 王强
联系电话:0731-86407775 ;邮政编码:410100 传真:0731-84020678
邮箱地址:customer@kenteke.com
开 户 行:工行长沙金鹏支行
帐 号:1901018009004723270 税号:91430000712164273J
B、山河智能装备股份有限公司有权根据招标情况对本次招标进行暂停、分标、终止等活动。
C、山河智能装备股份有限公司对招标文件有最终解释权。
山河智能装备股份有限公司 招标小组
2023年10月14日
第二章技术要求
1、概述
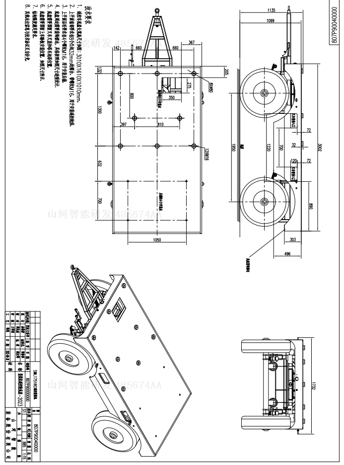
底盘用于装载机遥控舱,上装操作驾驶室及工具箱。
2、技术要求
(1)底盘为牵引杆式越野挂车,设置刹车、灯光;
(2)载荷≥2吨;
(3)底盘最小离地间隙不小于400毫米;
(4)具备牵引行驶接口,最大牵引速度不低于35千米/小时;
(5)出具牵引行驶可靠性第三方检测报告,试验要求:负载不低于1000kg,牵引行驶速度不低于35km/h,牵引行驶里程不低于500公里;
(6)结构件焊缝打磨光滑、无裂纹、气孔、夹渣等焊接缺陷,重要焊缝质量应符合JB/T 5943-2018中A类的要求。
(7)涂装技术要求:
①产品涂装与油漆属性:结构件部分喷涂底漆,面漆为GY06军车绿色(按甲方提供的色卡),漆膜厚度40~100μm。
②涂装前对属具机加面进行防护处理。
③涂层美观无脱落、锈蚀、露底、裂纹、气泡、咬底、针孔、缩孔、碰划伤等表面质量缺陷。
3、产品配置
详细配置最终以甲、乙双方会签确认的图纸为准。

下一页:山河智能轮胎保护履带招标公告